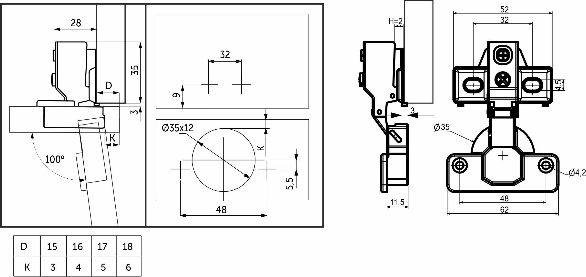
Петля накладная с доводчиком AKS с коротким плечом – мебельная петля с механизмом плавного закрывания фасада, с углом установки 90°.
Изготовлена из холоднокатанной стали. Диаметр чашки петли составляет ∅35 мм. Глубина чашки 11,5 мм. Глубина сверления, необходимая для установки, 12 мм.
Тип планки — неразборная. Регулировка по глубине — эксцентриковая.
Особенностью данной петли является длина ее плеча в 42мм, что позволяет монтировать её в местах с ограниченным пространством. Может устанавливаться в торец плитного материала.
Петля предназначена для фасадов толщиной от 15 до 22 мм, имеет межцентровое расстояние между отверстиями в чашке в 48мм, а также высоту монтажной планки h2.
Петли данной линейки являются двухходовыми, с возможностью остановки фасада в полуоткрытом положении, имеют угол открывания в 100°.
Прочность, долговечность и надежность в использовании подтверждается 40 000 циклами открывания и закрывания.






